
SL{0}}D-PP-C3-GA22-Imthacaí Sorcóireacha Sorcóireacha

Príomhthoisí & Sonraí Feidhmíochta
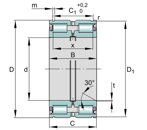
| d |
150 mm |
Trastomhas leadránach |
| D |
225 mm |
Trastomhas lasmuigh |
| B |
100 mm |
Leithead |
| Cr |
710,000 N |
Bunús rátáil ualach dinimiciúil, gathacha |
| C0r |
1,260,000 N |
Bunús rátáil ualach statach, gathacha |
| Cdo |
166,000 N |
Teorainn ualach tuirse, gathacha |
| nG ramhar |
850 1/nóiméad |
Luas a theorannú le haghaidh lubrication ramhar |
| ≈m |
12.78 kg |
Meáchan |
Toisí gléasta
| Ca1 |
81 mm |
Dim gléasta le haghaidh fáinne snap WRE (gan a bheith san áireamh sa seachadadh) Caoinfhulaingt: 0/-0,2 |
| Ca2 |
77 mm |
Dim gléasta chun fáinne coinneála chuig DIN 471 (gan áireamh sa seachadadh) Tol: 0/-0,2 |
| d1 |
176 mm |
Fáinne istigh trastomhas rib |
| d2 |
192 mm |
Trastomhas séalaithe (rib) |
| d3 |
245 mm |
Trastomhas lasmuigh den fháinne Léim WRE |
| d1 nóim |
176 mm |
ghualainn seafta trastomhas íosta |
| ruas |
0.6 mm |
Ga sos uasta |
|
30 céim |
Uillinn chamfer | |
|
-0.2 mm |
Caoinfhulaingt fáinne Léim achar níos ísle | |
|
-0.2 mm |
Caoinfhulaingt fáinne coinneála achar níos ísle | |
|
% 7b% 7b0% 7d% 7d mm |
Caoinfhulaingt fáinne Léim achar uachtarach | |
|
% 7b% 7b0% 7d% 7d mm |
Caoinfhulaingt fáinne coinneála achar uachtarach | |
|
% 7b% 7b0% 7d% 7d mm |
Caoinfhulaingt groove fáinne achar níos ísle | |
|
0.2 mm |
Caoinfhulaingt groove fáinne achar uachtair |
Toisí
| C |
99 mm |
Leithead, fáinne seachtrach |
| C1 |
87.2 mm |
Geallta fáinne achair |
| D1 |
221 mm |
Trastomhas an groove |
| m |
5.2 mm |
Leithead an groove |
| rnóim |
0.6 mm |
Toise chamfer íosta |
| t |
2 mm |
Leithead chamfer |
| X |
80 mm |
Fad idir eilimintí rollta |
Raon teochta
| Tnóim |
-30 céim |
Teocht oibriúcháin min. |
| Tuas |
80 céim |
Teocht oibriúcháin max. |

Is cineál coitianta imthacaí rollta iad imthacaí sorcóir sorcóireacha a bhfuil cumas ualach gathacha ard, cuimilte íseal, agus dearadh simplí acu. Is éard atá sna imthacaí seo fáinne istigh sorcóireach agus fáinne seachtrach, le rollóirí suite eatarthu. Tá na rollóirí sorcóireacha faoi threoir an fháinne istigh agus an fáinne seachtrach, rud a ligeann dóibh rolladh go réidh agus go cothrom.
Ceann de na príomhbhuntáistí a bhaineann le imthacaí sorcóir sorcóireacha ná a gcumas ualaí gathacha an-ard a láimhseáil. Dáileann cruth sorcóireach na rollóirí an t-ualach go cothrom thar limistéar teagmhála mór, ag laghdú an strus ar an imthacaí. Déanann sé seo imthacaí sorcóir sorcóireacha oiriúnach le haghaidh feidhmeanna tromshaothair, mar shampla i dtrealamh tógála, innealra mianadóireachta, agus tuirbíní gaoithe.
Chomh maith lena n-acmhainn ualaigh, tá frithchuimilt íseal agus éifeachtacht ard oibríochta ag imthacaí sorcóir sorcóireacha freisin. Tá na rollóirí agus an cage deartha chun cuimilteacht a íoslaghdú agus giniúint teasa a laghdú, ag feabhsú feidhmíocht iomlán an imthacaí. Aistríonn sé seo éifeachtúlacht fuinnimh níos fearr agus saol seirbhíse níos faide.
Tá imthacaí sorcóir sorcóireacha éasca a shuiteáil agus a chothabháil freisin. Tá siad ar fáil i raon méideanna agus cumraíochtaí a d'oirfeadh iarratais éagsúla, agus is féidir iad a athsholáthar nó a dheisiú go héasca más gá. Le lubrication agus cothabháil chuí, is féidir le imthacaí sorcóir sorcóireacha feidhmíocht iontaofa agus buan a sholáthar.
I measc roinnt feidhmeanna coitianta imthacaí sorcóir sorcóireacha tá uirlisí meaisín, caidéil, gineadóirí agus mótair leictreacha. Úsáidtear go coitianta iad freisin i dtionscail na ngluaisteán agus aeraspáis as a n-ardfheidhmíocht agus a n-iontaofacht.
Tríd is tríd, is réiteach ildánach agus iontaofa iad imthacaí sorcóir sorcóireacha le haghaidh feidhmeanna tromshaothair a bhfuil ard-ualaí gathacha agus frithchuimilte íseal ríthábhachtach. Leis an dearadh simplí, éascaíocht suiteála agus cothabhála, agus an cumas chun coinníollacha diana a láimhseáil, is rogha iontach iad do raon leathan tionscail agus feidhmchlár.
| NÍL. | d | D | B |
| SL185030-AC3-2S | 150 | 225 | 100 |
| SL014880 | 400 | 500 | 100 |
| SL{0}}D-PP-C3-GA22 | 150 | 225 | 100 |
| SL{0}}D-PP-C5-GA22 | 150 | 225 | 100 |
| NU10/}500-TB-M1 | 500 | 720 | 100 |
| SL1829/500-TB-C3 | 500 | 670 | 100 |
| SL{0}}TB-2S | 480 | 650 | 100 |
| SL1818/1000-E-TB-BR | 1000 | 1220 | 100 |
| SL1829/500-TB | 500 | 670 | 100 |
| SL182996-TB | 480 | 650 | 100 |
| SL182996-TB-C3 | 480 | 650 | 100 |
| NU2240-E-M1A | 200 | 360 | 98 |
| NU2240-E-M1A-C4 | 200 | 360 | 98 |
| NU2240-E-M1 | 200 | 360 | 98 |
| SL182240 | 200 | 360 | 98 |
| SL182240-A-C3 | 200 | 360 | 98 |
| NU2240-E-M1A-C3 | 200 | 360 | 98 |
| NU2240-EM1-C3 | 200 | 360 | 98 |
| NJ2240-E-M1 | 200 | 360 | 98 |
| NJ{0}}EM1-C3 | 200 | 360 | 98 |
Clibeanna Te: sl045030-d-pp-c3-ga22-imthacaí sorcóir sorcóireach, sl045030-d-pp-c3-ga22-rollóir sorcóireach soláthraithe iompair
B’fhéidir gur mhaith leat freisin
Glaoigh Linn




